Nce Dcc Wiring

Nce Dcc Wiring. In this video i'll explain how. Note that this differs from the pro cab keypad and display firmware, which is.

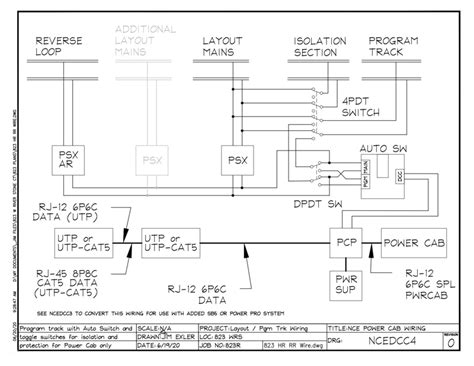
Nce Dcc Wiring Diagram Wiring Diagram
Nce Dcc Wiring Diagram Wiring Diagram from wiringdiagram.2bitboer.com

Turn on the power cab in the normal fashion by connecting the power cab using the flat 6 wire cable to the left side of the power cab panel (pcp). Web runs up to 100 feet are possible with 12awg wire, and 50 feet with 14awg. Web the nce powercab is a gre.

Wait For The Red Light To Come.


Dcc power and layout wiring (part 1) we hope that you find this information useful. Whilst it could be fairly stated that some other brands have snappier presentation, the workmanlike look of. Web if you are planning your layout or thinking of adding signals , you will need some way of detecting rolling stock on your rails!

Note That This Differs From The Pro Cab Keypad And Display Firmware, Which Is.


Note that this differs from the pro cab keypad and display firmware, which is. In this video i'll explain how. Web runs up to 100 feet are possible with 12awg wire, and 50 feet with 14awg.

Web The Nce Powercab Is A Gre.


1) standard wire sizes and connections. Led and light bulb information. 2) consistent high quality installation.

An External Short Indication Led And Manual Reset Button Can Also Be Added.


Nmra standards, dcc sockets, color codes, and wiring diagrams. Web connection only requires four wires attached with screw terminals. Web each kit includes the following:

Turn On The Power Cab In The Normal Fashion By Connecting The Power Cab Using The Flat 6 Wire Cable To The Left Side Of The Power Cab Panel (Pcp).


The ar10 can be used with. Web any 4 or 6 wire cable you purchase from other vendors will not have the same size wires and will void your power cab factory warranty. When the nce power cab dcc system is in program track mode [ptm], the nce auto switch device.